Aluminum Cold Forging Pin Fin Heatsink Inquiry From Turkey Customer
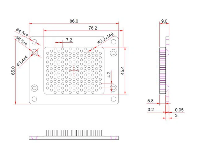
Today, Sinda Thermal engineering team received an inquiry for the aluminum pin fin heatsink ,This heatsink is for automation device cooling, and it is made by cold forging process, which has no thermal resistance on the fin and base. Thanks for the inquiry ,and we are now working on the cost analysis, will quote to customer by tomorrow morning .
In Automation device controll industries, The pin fin heatsink is often used on the thermal solution , it is made by cold forging process, the integrated structure makes it more firm and stable,and the fin can be designed with very high density to support high performance required.







