Simulation of lithium battery with submerged liquid cooling
Lithium ion power battery has been widely used in electric vehicle energy storage system because of its high energy density and long cycle life. Battery cooling technology includes air cooling, liquid cooling, phase change material cooling and immersion cooling
Immersion cooling refers to the direct contact between the battery pack and the cooling liquid. By immersing the battery module in the liquid, the liquid can absorb the heat generated by the battery pack indifferently to achieve the effect of physical cooling. The cooling method has the following advantages: high heat transfer performance and temperature uniformity, extended battery life, thermal runaway protection and fast charging.

Geometric preparation and modeling:
Geometric treatment is carried out in spaceclaim to divide the fluid domain and battery cells. The battery is immersed in insulating fluid, and the electrode is directly in contact with air for air cooling. The insulating fluid flows from the bottom of the battery to the top of the battery, and the diaphragm position of the fluid domain makes the battery heat exchange evenly for better cooling performance. Complete geometric model simplification and discrete model in gme3d.

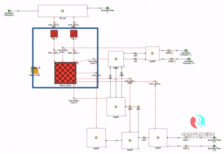
After the model is discretized, it is modeled in gt-suite, which includes two fluid domains (electrode air cooling and battery edge fluid cooling). The flow and convection heat transfer can be simply equivalent by completing the equivalence of the flow passage diaphragm in the fluid domain.

Under 3C discharge condition, the temperature distribution inside the battery at the end of discharge at different coolant flow rates:
Under the same discharge condition, the influence of coolant flow on the temperature of the battery is shown in the above figure. Under different flows, it can be seen that the highest temperature occurs at the top right of the battery.

The 1D submerged battery cooling transient simulation model is used for DOE analysis. It mainly reflects the efficiency of modeling and simulation calculation of one-dimensional simulation analysis in the early stage of concept project, which can effectively reduce the time of modeling and simulation with the accuracy consistent with that of three-dimensional simulation.






